PRECISION AND INNOVATION AT WORK
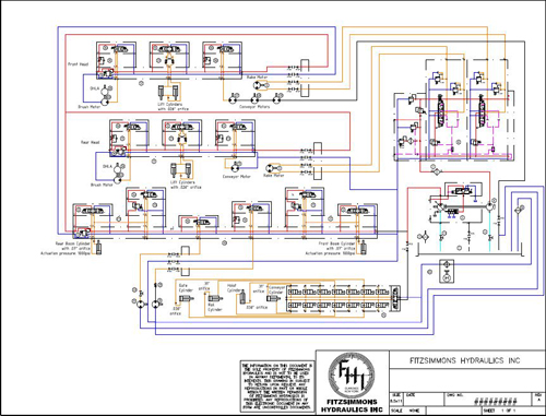
Hydraulic applications require an intense level of attention to detail and design. The engineers at Fitzsimmons Hydraulics are experts in the industry's most proven design software and can design anything from simple schematics to 3-D solid models.
We can meet any specifications our customers require. We have designed and engineered hydraulic systems for use in many different industrial applications, including progressive & transfer dies, injection & compression molds, machined products, copper electrodes, and many more.
